
































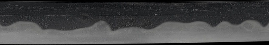
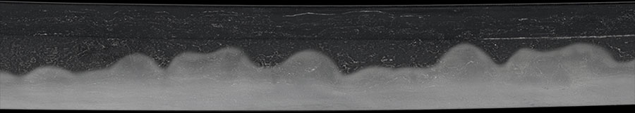
NIHONTO n.5 (Katana)
Epoca: Periodo Edo (1700 circa)
Indicata per pratica di Iaido, Tameshigiri o per solo collezionismo
Caratteristiche
speciali:
Firma
con sigillo imperiale (Kikumon)
Documentazione
allegata:
Registrazione
alla prefettura di Osaka
Nagasa (lunghezza del taglio): 68,5 cm
Sori (Curvatura lama): 1,6 cm
4500 Euro
per ulteriori informazioni scrivere a:
Telefono e contatto WhatsApp:
+39 3246855725